您現在所在位置:大田閥門 >> 襯氟閥門(襯里閥門)
設計與制造:GB12238
結構長度:GB12221
法蘭連接尺寸:GB4216、JB78、JB79
D371(半襯)、D371Fs(全襯)蝸輪對夾襯氟塑料蝶閥專用于控制非腐蝕性或強腐蝕性介質,閥體內腔表面覆有可供選擇的各種氟塑料,適用于不同工作溫度和流體管路。具有強度高、耐腐蝕性能好的特點。
適用溫度:≤100℃、≤120℃、≤150℃、(可按照襯里材料)
壓力等級:0.6、1.0、1.6
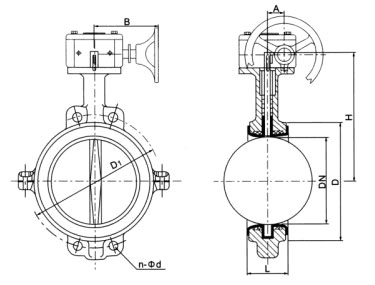
1、閥體2、蝶圈3、蝶板4、四氟圈5、碟形彈性墊圈6、手柄定位板7、手柄

| 公稱通徑 | L | D mm |
D1 mm |
D2 mm |
n-Фd mm |
f mm |
H mm | A mm |
B mm |
質量 | |||||||||
|---|---|---|---|---|---|---|---|---|---|---|---|---|---|---|---|---|---|---|---|
| DN | NPS | 0.6 | 1.0 | 1.6 | 0.6 | 1.0 | 1.6 | 0.6 | 1.0 | 1.6 | 0.6 | 1.0 | 1.6 | ||||||
| 50 | 2 | 43 | 140 | 165 | 160 | 110 | 125 | 125 | 90 | 93 | 100 | 2-14 | 4-18 | 4-18 | 3 | 180 | 45 | 120 | 6.5 |
| 65 | 21/2 | 46 | 160 | 185 | 180 | 130 | 145 | 145 | 110 | 106 | 120 | 2-14 | 4-18 | 4-18 | 3 | 200 | 45 | 120 | 8.0 |
| 80 | 3 | 46 | 182 | 200 | 195 | 150 | 160 | 160 | 125 | 123 | 130 | 4-18 | 4-18 | 8-18 | 3 | 220 | 45 | 120 | 10 |
| 100 | 4 | 52 | 205 | 220 | 215 | 170 | 180 | 180 | 145 | 150 | 155 | 4-18 | 8-18 | 8-18 | 3 | 254 | 45 | 120 | 13 |
| 125 | 5 | 56 | 235 | 250 | 2445 | 200 | 210 | 210 | 175 | 172 | 185 | 4-18 | 8-18 | 8-18 | 3 | 300 | 45 | 120 | 17 |
| 150 | 6 | 56 | 260 | 285 | 280 | 225 | 240 | 240 | 200 | 198 | 210 | 4-18 | 8-23 | 8-23 | 3 | 334 | 66 | 150 | 22 |
| 200 | 8 | 60 | 315 | 340 | 335 | 280 | 295 | 295 | 255 | 252 | 265 | 4-18 | 8-23 | 12-23 | 3 | 450 | 85 | 170 | 43 |
| 250 | 10 | 68 | 370 | 395 | 405 | 335 | 350 | 355 | 310 | 320 | 320 | 4-18 | 12-23 | 12-25 | 3 | 525 | 85 | 170 | 52 |
| 300 | 12 | 78 | 435 | 445 | 460 | 395 | 400 | 410 | 362 | 368 | 375 | 4-23 | 12-23 | 12-25 | 4 | 590 | 106 | 205 | 60 |
| 350 | 14 | 78 | 485 | 505 | 520 | 445 | 460 | 470 | 412 | 428 | 435 | 4-23 | 16-23 | 16-25 | 4 | 650 | 106 | 205 | 94 |
| 400 | 16 | 102 | 535 | 565 | 580 | 495 | 515 | 525 | 462 | 482 | 485 | 4-23 | 16-25 | 16-30 | 4 | 745 | 130 | 240 | 165 |
| 450 | 18 | 114 | 590 | 620 | 640 | 550 | 565 | 585 | 518 | 532 | 545 | 4-23 | 20-25 | 20-30 | 4 | 820 | 155 | 240 | 200 |
| 500 | 20 | 127 | 640 | 670 | 705 | 600 | 620 | 650 | 568 | 585 | 608 | 4-23 | 20-25 | 20-34 | 4 | 870 | 169 | 306 | 235 |
| 600 | 24 | 154 | 755 | 780 | 840 | 705 | 725 | 770 | 670 | 685 | 718 | 4-25 | 20-30 | 24-41 | 5 | 1010 | 198 | 324 | 280 |
| 700 | 28 | 165 | 860 | 895 | 910 | 810 | 840 | 775 | 788 | 4-25 | 24-41 | 5 | 1130 | 220 | 335 | 530 | |||
| 800 | 32 | 190 | 975 | 1010 | 1020 | 920 | 950 | 880 | 898 | 4-30 | 24-41 | 5 | 1240 | 241 | 356 | 650 | |||
| 900 | 36 | 203 | 1075 | 1110 | 1120 | 1020 | 1050 | 980 | 998 | 4-30 | 28-41 | 5 | 1350 | 241 | 356 | 780 | |||
| 1000 | 40 | 216 | 1175 | 1220 | 1255 | 1120 | 1170 | 1080 | 1110 | 4-30 | 28-48 | 5 | 1460 | 241 | 356 | 880 | |||
| 1200 | 48 | 254 | 1400 | 1450 | 1485 | 1340 | 1390 | 1295 | 1325 | 4-34 | 32-54 | 5 | 1670 | 1050 | |||||
注:為了方便客戶安裝要求,本表給定的數值系與蝶閥連接的標準法蘭尺寸,簡圖中尺寸代號僅是其中一部分。
溫馨提示:
本文中所有文字、數據、圖片均只適用于參考。需要查看更多的D371(半襯)、D371Fs(全襯)蝸輪對夾襯氟塑料蝶閥性能參數、結構尺寸參數、價格等詳情,或要求印刷樣本,請聯系我們。